浙江邑美电气科技有限公司

配电站所终端DTU

产品中心

配电站所终端DTU

配电站所终端DTU

如果您有任何问题可以联系我们!

配电站所终端DTU概述

主要实现配网在线和离线远方监控和与配电自动管理,以达到配网安全,可靠,经济,优质,高效运行之目的。 适用于35KV用以下的开闭站、变电站、变电所、配电室、配电房的1~16回线路测控,与配电网自动化主站和子站系统配合,实现多条线路的电量的采集和控制,检测故障、故障区域定位、隔离及非故障区域恢复供电,提高供电可靠性。可采集并上传多回路线路电压、线路电流、零序电流、设备状态等运行及故障信息,具备多种方式的通信接口和多种标准通信规约。具有交流采样、直流遥测、遥控、遥信、录波、时钟同步、事件顺序记录、多串口通信、多种通信规约、分布式网络通信、当地或远方在线装载、设置参数、远程诊断维护等多种功能。

DTU主控单元组成

主控单元主要由遥测板(YC)、MCU 板、遥信板(YX)、遥控板(YK)、电源板 (PWR)组成。其结构如下图所示:

配电站所终端DTU主控单元结构

遥测(YC)功能及接线

可进行交流的采集、转换、处理模拟量并可同时向主站传送,实现电流、电压量的测量,并监视馈线的供电状况,按线路分,每条线路采集、转化并处理的模拟量包括以下几点:
√三相电压 Ua、Ub、Uc 或则两线路电压;
√三相测量电路 Ia、Ib、Ic 或则保护电流;
√各相有功功率与无功功率以及总功率;
√零序电压3U0与零序电流3I0;
√频率;
√总功率因数与分相功率因数。
DTU遥测功能接线

遥信(YX)功能及接线

1、输入电路可以监视 96 路干接点输入的数字量(或者 128路),装置内部的 DC/DC 转换器输出隔离的 24VDC 为干接点提供输入回路驱动电源。
2、允许使用外部隔离电源代替内部 24VDC 作为接点输入电源。数字输入的隔离湿电压采用"或"设计,可以使用电压高达 48VDC 的外部隔离湿电源。如果采用 48VDC 外部电源,需要通过公司技术人员进行必要配置。
3、双点遥信的合成:能够根据采集到的开关分闸与合闸的位置信息,自动生成具有故障态、中间态、合闸及分闸表述能力的双点遥信信号,支持遥信变位优先传送。
4、软遥信生成,包括:装置故障信号,各线路的过负荷、单相接地、过 电流、相间短路、过电压、零序过电流等信号。
配网终端DTU遥信功能接线

遥控(YK)功能及接线

1、支持本地手动按钮实现对断路器的分、合闸操作,具备控制出口硬压板,支持控制出口软压板功能;
2、装置接受并执行来自主站或子站的遥控指令,完成开关的分、合闸、闭锁操作;
3、记录并保存近 10 次操作记录。
站所终端遥控功能接线

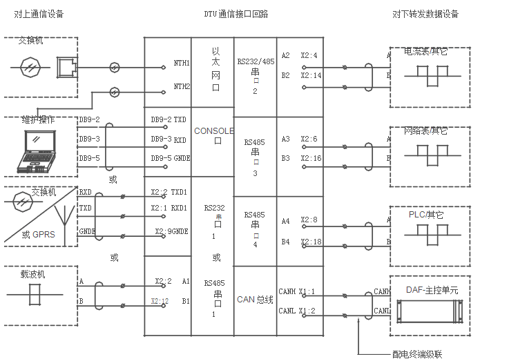
通讯功能及接线

1、站所终端DTU集成有2个RS232口、两个RS485以及两个以太网接口,所有通信口均经过光电隔离,具有良好的抗干扰与防雷特性。适用于光纤、载波、无线、专线等各种通信方式。
2、具有丰富的通信规约,如104、DNP3.0、101、SC1801、CAN2.0B 等各种规约,能与国内配电自动化系统各厂家设备接口。
配网DTU终端通讯功能接线

数据传输功能

1、与主站(子站)通信,实现数据转发、信息上传、接受并执行主站(主站)下发的控制命令,配合完成开关操作等功能。
2、数据任意排序与转发功能:数据上送时可根据需要在原始的信息库中进行挑选,并按理想的上送顺序进行排序,可以有效的降低配电自动化系统的负担,提高资源利用率。
3、对时功能接收主站的对时命令,与系统时钟保持同步,使事件记录具有可比性。

电源管理功能

1、具有掉电保护,电源重新恢复后,能自启动。
2、具备蓄电池后备电源,主电源失电后,装置正常工作不低于 12 小时,支持开关动作次数≥10 次。
3、具备电源充放电管理及维护功能。
4、支持自动、手动、远方电池活化操作。

技术参数

电气参数
额定数据 交流电压 100V、220V
交流电流 1A、5A
频率 50Hz
功率消耗 整机功功耗 <30VA
交流电压 <0.5VA/相
交流电流 <0.75VA/相
过载能力 交流电压 1.2倍额定电压:连续工作,2倍额定电压:允许 1 秒
交流电流 1.2倍额定电流,连续工作
主要技术指标
遥测量精度 交流电流采样精度 0.5级
交流电压采样精度 0.5级
功率采样精度 1级
遥信开入 开关量输入 128 路(1500VDC 隔离)
开关变位分辨率 2ms
防抖动时间 软件设置,1~32000ms
输入类型 接点状态或电度脉冲量
接点输入电源 24VDC,内部/外部可选择
输入电流 2.5mA~3.5mA
状态输出 标准 16路SBO(16 路继电器)
可靠性 软硬件操作选择(SBO)
输出继电器接点 DC30V 5A、AC250V 5A
通讯 通信口 2个RS232(1200~115.2kbps)
以太网口 2个10M/100M自识别
RS485 2个RS485
加强型维护串口 DB9
工作环境
温湿度 环境温度 -40℃~70℃
变化率 1℃/h
相对湿度 10%~100%

点击
隐藏

电话
咨询

15869675673
客服热线